Запчасти для 325d M57N2 E91N

7 последних символов VIN:

Тип кузова: E91N (Универсал)

Регион: Европа

Двигатель: M57N2

Марка: 325d M57N2

Руль: Левый

Дата выпуска: 01 / 2009

ТипUX51
Двигатель (M57T2):
Коробка передач (GA6HP-19Z): 10л
Задний мост (HA):
Охлаждающая жидкость
(кондиционер):
Тормозная жидкость:

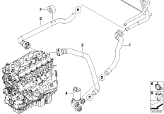
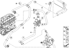
Отопление и кондиционирование

Основные разделы → Отопление и кондиционирование

Подразделы

Запчасти