Запчасти для 335d E91N

7 последних символов VIN:

Тип кузова: E91N (Универсал)

Регион: Европа

Двигатель: M57N2

Марка: 335d

Руль: Правый

Дата выпуска: 01 / 2012

Объемы жидкостей

ТипUX72
Двигатель (M57Y):
Коробка передач АКПП (GA6HP-26Z): 10л
Задний мост (HA):
Охлаждающая жидкость
(кондиционер):
Тормозная жидкость:

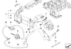
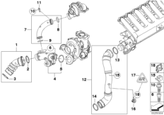
Двигатель

Основные разделы → Двигатель

Подразделы

Запчасти