Запчасти для 328i E91N

7 последних символов VIN:

Тип кузова: E91N (Универсал)

Регион: США

Двигатель: N52N

Марка: 328i

Руль: Левый

Дата выпуска: 01 / 2009

ТипUT93
Двигатель (N52K):
Коробка передач (GA6L-45R): 10л
Задний мост (HA):
Охлаждающая жидкость
(кондиционер):
Тормозная жидкость:

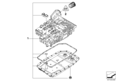
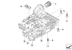
АКПП

Основные разделы → АКПП

Подразделы

Запчасти